VFC200-02
VPC Pneumatic
8421399000
| وسيط العمل: | |
|---|---|
| درجة حرارة العمل: | |
| نطاق ضبط الضغط: | |
| مرشح الدقة: | |
| مادة السلطانية: | |
| توافر الحالة: | |
وصف المنتج
يتكون VFC من VFR و فل، يمكن طلب كل وحدة على حدة.
* ال VF يقوم الفلتر المزود بفاصل الماء بتنظيف الهواء المضغوط من زيت السوائل والتكثيف وجزيئات الأوساخ.للتطبيقات الخاصة ، يمكن استبدال عنصر مرشح 20 ميكرومتر بعنصر مرشح 5 ميكرومتر.
* ال الواقع الافتراضي يحافظ المنظم على إدخال ضغط تشغيل ثابت على الرغم من التقلبات في ضغط الخط وكمية الهواء المستهلك.
* ال فل يضيف جهاز التشحيم كمية منظمة من الزيت إلى الهواء المصفى.يتناسب محتوى ضباب الزيت مع التدفق ويمكن إضافة الزيت أثناء التشغيل.يتم التحكم في معدل تنقيط الزيت بواسطة الترباس القابل للتعديل.عادة ، من 1 إلى 12 قطرة / 1000 لتر من
الهواء كافي.
ملحوظة
* الحد الأقصى للضغط للتصريف التلقائي من السلسلة V هو 0.8 ميجا باسكال.
* الحد الأقصى للضغط لنوع الضغط المنخفض هو 0.4Mpa.
* تتوفر خيوط G و PT و NPT.
* مقاييس الضغط متوفرة عند 10 بار أو 16 بار ، لنطاقات الضغط الأخرى من فضلك اتصل بـ VPC.

مواصفات المنتج
نموذج | VFC200-01 | VFC200-02 | VFC200-03 | VFC300-02 | VFC300-03 | VFC300-04 | VFC400-02 | VFC400-03 | VFC400-04 | VFC400-06 | |
| وسط العمل | هواء نظيف (تصفية 40 ميكرومتر) | ||||||||||
| تتحمل الميناء | G1/8 | جي1/4 | G3/8 | جي1/4 | G3/8 | جي1/2 | جي1/4 | G3/8 | جي1/2 | G3/4 | |
| دقة التصفية | 25 ميكرومتر أو 5 ميكرومتر | ||||||||||
| نطاق ضغط العمل | 0.15 إلى 0.8 ميجا باسكال (20 إلى 116 رطل لكل بوصة مربعة) / 0.15 إلى 1.2 ميجا باسكال (20 إلى 174 رطل لكل بوصة مربعة) | ||||||||||
| ضغط إثبات | 1.0 ميجا باسكال (145 رطل لكل بوصة مربعة) / 1.6 ميجا باسكال (230 رطل لكل بوصة مربعة) | ||||||||||
| دقيقة. ضغط العمل | 0.8 ميجا باسكال (116 رطل لكل بوصة مربعة) / 1.0 ميجا باسكال (230 رطل لكل بوصة مربعة) | ||||||||||
| درجة حرارة العمل | من 5 إلى 60 درجة مئوية | ||||||||||
| سعة وعاء التصريف | 15 سم مكعب | 50 سم مكعب | 80 سم مكعب | ||||||||
| سعة وعاء الزيت | 30 سم مكعب | 100 سم مكعب | 160 سم مكعب | ||||||||
| يوصي زيوت التشحيم | ISO VG 32 أو ما يعادلها | ||||||||||
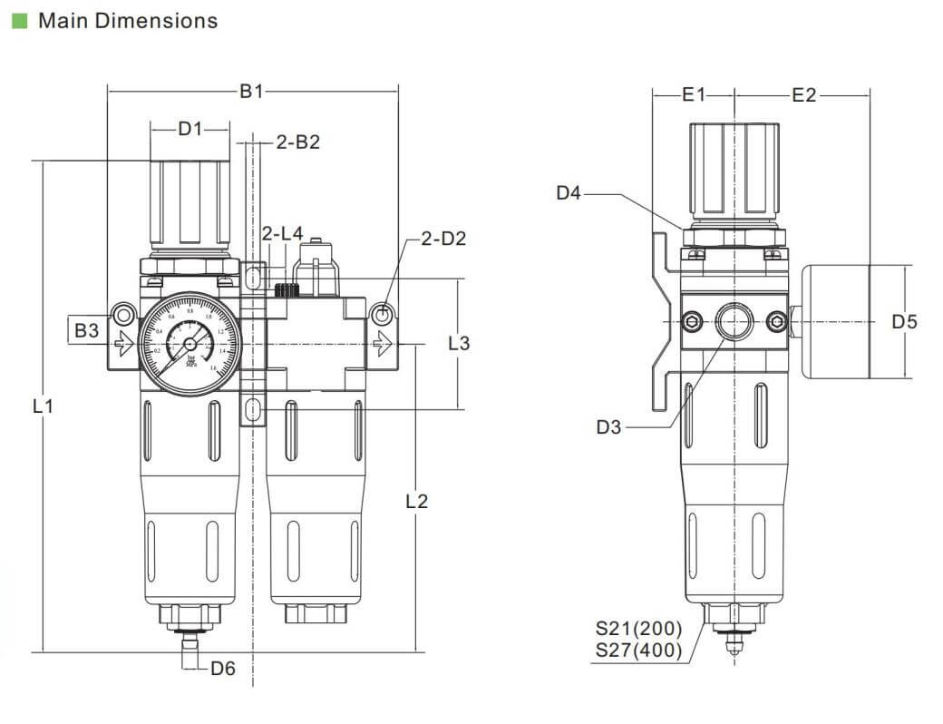
الأبعاد الرئيسية



الأسئلة الشائعة حول المنتج
س 1.ما هي وحدة FRL؟
تشتمل وحدة FRL على مرشح (F) ومنظم (R) ومزلق (L).يمكن دمج هذه الوحدات الفردية في وحدة واحدة لضمان الهواء النظيف في نظام هوائي.من الممكن أيضًا استخدام كل مكون على حدة.
س 2.ما هي وحدة FRL التي تشرح عملها ووظيفتها؟
غالبًا ما يكون الهواء المضغوط المزود للأنظمة الهوائية ملوثًا أو مفرط الضغط أو غير مشحم.هذا هو المكان الذي تأتي فيه وحدات تشحيم منظم الفلتر. تُستخدم وحدات FRL للمساعدة في منع تلف المعدات النهائية من خلال ضمان أن أي هواء مضغوط يتم توفيره لآلات الطاقة خالٍ من التلوث.
س 3.كيف أختار وحدة FRL؟
في معظم الحالات ، يمكنك الاختيار بين وحدات FRL ذات 2 أو 3 مراحل.هل تعلم أن كلا الحلين يمكن أن يقوموا بنفس الوظيفة؟يقدم كلا الحلين نفس الوظائف الثلاث (التنظيم ، التصفية ، التزييت).الاختلافات الرئيسية بين هذين النوعين من FRLs هي الجماليات والاكتناز.
س 4.ما هو الزيت المستخدم في FRL وحدة؟
ملء المزلق. استخدم زيت التوربينات ISO VG 32 لأداة التشحيم.افصل مصدر الهواء.أولاً ، قم بإزالة وعاء الزيت واملأ الزيت أسفل المستوى الأقصى.بسحب السدادة لأسفل ، اقلب وعاء الزيت إلى أي من الجانبين لإزالته.
تعلم المزيد عن وحدات FRL، يرجى الاتصال بـ VPC!
كتالوج PDF
لم يتم العثور على منتجات