ACE32X40-B
VPC Pneumatic
8412310090
| مادة الجسم: | |
|---|---|
| تجويف: | |
| نطاق السكتة الدماغية: | |
| ضمان الجودة: | |
| توافر الحالة: | |
وصف المنتج
1. وفقًا لمعايير ISO21287 ، يكون حجم التثبيت رواجًا.
2. يتصل جسم الأسطوانة مع خيوط الغطاء الأمامي والخلفي ، مما يشكل قوة عالية وصيانة مريحة.
3. يتم علاج القطر الداخلي للجسم باللف يليه علاج الأنود الصلب ، مما يشكل مقاومة تآكل ممتازة ومتانة.
4. ختم المكبس يتبنى هيكل الختم غير المتجانس ثنائي الاتجاه. لديها أبعاد مضغوطة ووظيفة حجز الزيت.
5. بنية مضغوطة يمكن أن توفر بفعالية مساحة تثبيت خمسين في المائة مع أسطوانة قياسية ISO15552.
6. هناك فتحات مفتاح مغناطيسي حول جسم الأسطوانة ، وهو مريح لتثبيت مفتاح تحفيز.
7. المصد متاح ويمكن أن تمتص طاقة مفعول.
8. التثبيت الملحقات مع مواصفات مختلفة أمر اختياري.

Ace ① 20② x 30③ S ④ B ⑤ □ ⑥ □ ⑦
① ACE → نموذج
| بارِع | Cylidner المدمجة (التمثيل المزدوج) |
| ase | cylidner المدمجة (تمتد ربيع واحد بالنيابة) |
| أكل | Cylidner المدمجة (عودة ربيع واحدة بالنيابة) |
| aced | Cylidner المدمجة (قضيب مزدوج) |
| ACEJ | Cylidner المدمجة (السكتة الدماغية القابلة للتعديل) |
| TACE | cylidner المدمجة (يتصرف مزدوج غير الدوران مع نير) |
| ترتى | cylidner المدمجة (قضيب مزدوج غير دوار مع نير) |
② 20 → حجم التجويف
| نموذج | حجم التجويف |
| ACE/ACED/ACEJ | 12 16 20 25 32 40 50 63 80 100 125 |
| ASE/ate/tace/tace | 12 16 20 25 32 40 50 63 80 100 |
③ 20 → السكتة الدماغية
الرجوع إلى جدول السكتة الدماغية للحصول على التفاصيل
④ S → Magnet
| فارغ | بدون مغناطيس |
| S | مع المغناطيس |
⑤ B → نوع قضيب
| نموذج | نوع قضيب |
| ACE/ACED/ACEJ/ASE/ate | فارغ: موضوع أنثى |
| ب: موضوع الذكور | |
| TACE/TAGED | لا |
نوع قضيب
| نموذج | نوع التثبيت |
| كل نموذج | فارغ: لا ملحقات |
بارِع ase أكل | FA: نوع FA |
| FB: نوع FB | |
| CA: نوع CB | |
| CB: نوع CB | |
| FTC: نوع FTC | |
| LB: نوع LB | |
| SDB: نوع SDB | |
aced ACEJ | FA: نوع FA |
| FTC: نوع FTC | |
| LB: نوع LB | |
| ترتى | FB: نوع FB |
نوع الخيط
| فارغ | حزب العمال |
| G | G |
| T | NPT |
※ الخيط القياسي فارغ هنا.

مواصفات المنتج
| التجويف (مم) | 12 | 16 | 20 | 25 | 32 | 40 | 50 | 63 | 80 | 100 | 125 |
| وسيط العمل | الهواء النظيف (تصفية 40um) | ||||||||||
| نوع التمثيل | التمثيل المزدوج | ||||||||||
| نوع واحد من التمثيل ، نوع واحد بالنيابة | |||||||||||
| ضغط | التمثيل المزدوج: 0.1 إلى 1.0mpa (14 إلى 145psi) | ||||||||||
| التمثيل الفردي: 0.2 إلى 1.0mpa (28 إلى 145psi) | |||||||||||
| ضغط مضمون | 1.5mpa (215psi) | ||||||||||
| نطاق السرعة | التمثيل المزدوج: من 30 إلى 500 مم/ث بتمثيل واحد: 50 إلى 500 مم/ثانية | ||||||||||
| التسامح من السكتة الدماغية | stroke≤100 +1.0 السكتة الدماغية> 100 +1.5 | ||||||||||
| نوع وسادة | المصد | ||||||||||
| حجم الميناء | M5x0.8 | G1/8 | G1/4 | ||||||||
| حجم التجويف (مم) | السكتة الدماغية القياسية (مم) | الأعلى. السكتة الدماغية القياسية | ||
| نوع مشترك | التمثيل المزدوج | 12 | 5 10 15 20 25 30 35 40 45 50 | 50 |
| 16 | 5 10 15 20 25 30 35 40 45 50 55 60 70 75 | 75 | ||
| 20 | 5 10 15 20 25 30 35 40 45 50 55 60 70 75 80 90 100 | 100 | ||
| 25 | 5 10 15 20 25 30 35 40 45 50 55 60 70 75 80 90 100 110 120 125 150 | 150 | ||
| 32 40 | 5 10 15 20 25 30 35 40 45 50 55 60 70 75 80 90 100 110 120 125 150 160 175 200 | 200 | ||
| 50 63 | 5 10 15 20 25 30 35 40 45 50 55 60 70 75 80 90 100 110 120 125 150 160 175 200 225 250 | 250 | ||
| 80 100 125 | 5 10 15 20 25 30 35 40 45 50 55 60 70 75 80 90 100 110 120 125 150 160 175 200 225 250 275 300 | 300 | ||
| التمثيل واحد | 12 | 5 10 | 10 | |
| 16 ~ 100 | 5 10 15 20 25 | 25 | ||
| نير غير الدوران | التمثيل المزدوج | 12 | 5 10 15 20 25 30 35 40 45 50 | 50 |
| 16 | 5 10 15 20 25 30 35 40 45 50 55 60 70 75 | 75 | ||
| 20 25 | 5 10 15 20 25 30 35 40 45 50 55 60 70 75 80 90 100 | 100 | ||
| 32 40 | 5 10 15 20 25 30 35 40 45 50 55 60 70 75 80 90 100 | 100 | ||
| 50 63 | 5 10 15 20 25 30 35 40 45 50 55 60 70 75 80 90 100 | 100 | ||
| 80 100 | 5 10 15 20 25 30 35 40 45 50 55 60 70 75 80 90 100 | 100 | ||
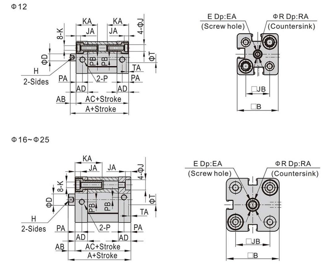
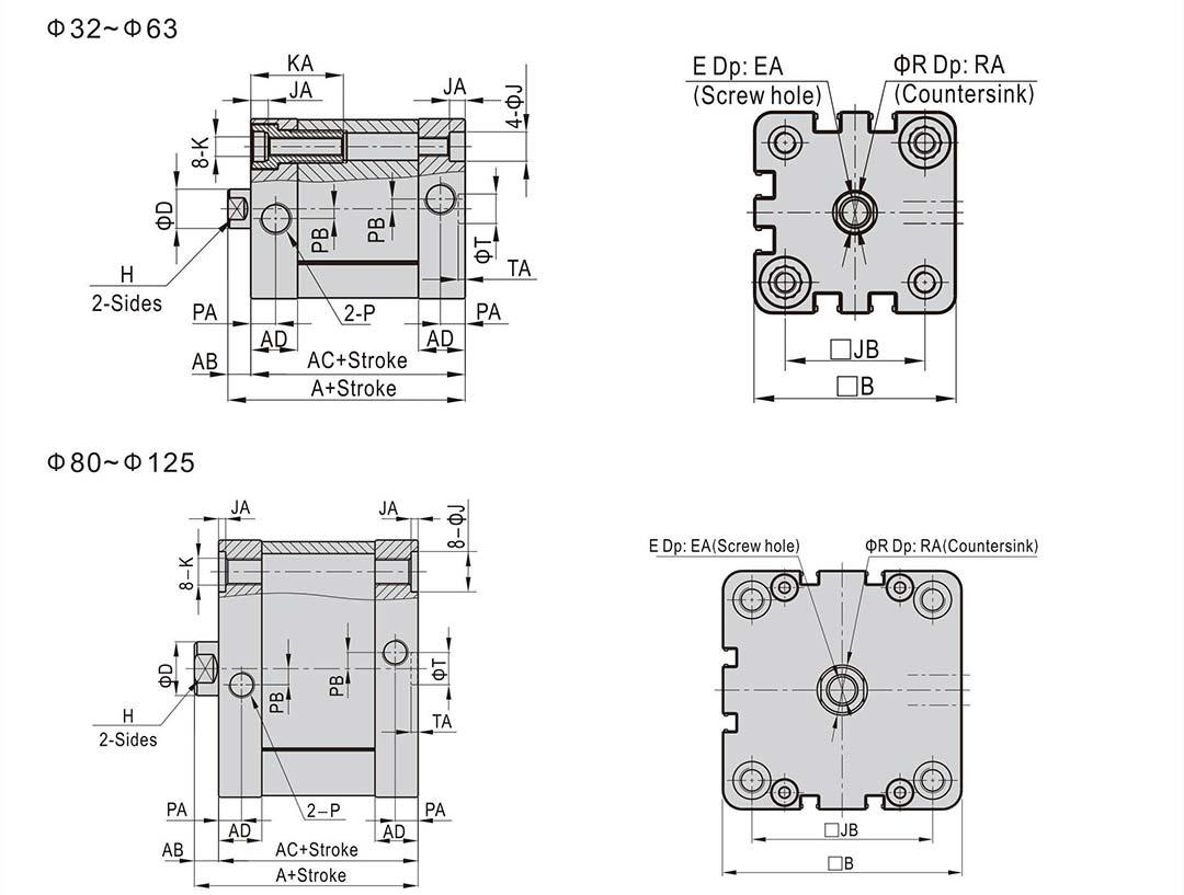
الأبعاد الرئيسية





الأسئلة الشائعة عن المنتج
س 1: كيف يمكنني زيادة الضغط في أسطوانة الهوائية؟
ج: هناك طريقة أخرى لزيادة أو تقليل القوى الناتجة عن الأسطوانة وهي اختيار أسطوانة مع قطر أكثر أهمية (قوة أكبر) أو أصغر (أقل قوة). تذكر أنه كلما كان القطر أكبر ، زادت مساحة سطح المكبس ، وكلما زاد الضغط.
س 2: كيف يمكنك ضبط سرعة أسطوانة الهواء؟
ج: عندما يمتد مكبس الأسطوانة ، يتم ضغط الهواء خلفه لأن الهواء لا يمكن أن يهرب بسهولة. عندما تشدد برغي التحكم في التدفق ، تتباطأ حركة المكبس لأن الهواء مقيد أكثر. يتحكم في سرعة الأسطوانة أو يقيد تدفق الهواء. ما عليك سوى قلب صمام الإبرة لضبط سرعة الهواء.
س 3: ما مقدار القوة التي يمكن أن تنتجها الأسطوانة الهوائية؟
A: وحدة قوة نظرية أسطوانة الهواء هي N ، مثل 32 مم التجويف عند 0.1mpa قوة الدفع العمل هي 80.4n. يتم اشتقاق الرسم البياني من صيغة الحساب لقوة النظرية للرجوع إليها فقط.

◆ حاسبة قوة الأسطوانة الهوائية
س 4: هل تبيع مجموعات إصلاح الأسطوانات الهوائية؟
ج: نعم ، نبيع جميع أنواع مجموعات إصلاح الأسطوانات وغيرها من الملحقات. يرجى الاتصال بنا إذا كنت بحاجة إلى أي.
كتالوج PDF
لم يتم العثور على منتجات