AC40A-04E-VD
VPC Pneumatic
| وسيط العمل: | |
|---|---|
| تصنيف الترشيح الاسمي: | |
| درجة حرارة العمل: | |
| الضغط برهان: | |
| الأعلى.ضغط التشغيل: | |
| توافر الحالة: | |
وصف المنتج
تم دمج معظم ميزات AC-A و AC-B في غطاء الوعاء الشفاف AC-D للحصول على رؤية كاملة ؛المقاييس المدمجة ومفاتيح الضغط ؛تقليل مساحة الصيانة واستبدال عنصر مبسط لفلاتر سلسلة AF-D.
1. تصميم معياري بنمط جسم موحد.قابلة للتبديل مع المنتج الحالي
2. مجموعة ممتدة من محولات الأنابيب والواجهات ومفاتيح الضغط المعيارية.
3. استبدال عنصر سهل.العنصر والوعاء قطعة واحدة.يمكن إجراء الاستبدال يدويًا.
4. منظم توفير الطاقة.انخفاض الضغط: ماكس.50٪ تحسن
5. مساحة صيانة أقل: ماكس.46٪ تخفيض
6. تتوفر خيوط Rc أو NPT أو G.
مثال على الطلب:
خيار / شبه قياسي: حدد واحدًا لكل من a ل j.
الخيار / الرمز شبه القياسي: عندما تكون هناك حاجة إلى أكثر من مواصفة ، يرجى الإشارة في ترتيب أبجدي رقمي.
نموذج: AC30A-F03DE1-16NR-د


* 1) دليل الصرف هو NPT1 / 8 (ينطبق على AC20A-D) و NPT1 / 4 (ينطبق على AC30A-D إلى AC60A-D).يأتي منفذ الصرف التلقائي مع Φ3 / 8 ' تركيب بلمسة واحدة (ينطبق على AC30A-D إلى AC60A-D).
* 2) دليل الصرف هو G1 / 8 (ينطبق على AC20A-D) و G1 / 4 (ينطبق على AC30A-D إلى AC60A-D).
* 3) عندما لا يتم تطبيق الضغط ، سيتم ترك المكثف الذي لا يبدأ آلية الصرف التلقائي في الوعاء.إطلاق المكثفات المتبقية قبل إنهاء عمليات اليوم المستحسن.
* 4) إذا كان الضاغط صغيرًا [0.75 كيلو وات ، فإن تدفق التفريغ أقل من 100 لتر / دقيقة (ANR)] ، فقد يحدث تسرب للهواء من محبس التصريف أثناء بدء العمليات.يوصى باستخدام نوع NC.
* 5) عند توصيل مقياس الضغط ، سيتم تركيب مقياس ضغط 1.0 ميجا باسكال للنوع القياسي (0.85 ميجا باسكال).مقياس ضغط 0.4 ميجا باسكال لنوع 0.2 ميجا باسكال.
* 6) يمكن ضبط الضغط أعلى من ضغط المواصفات في بعض الحالات ، ولكن استخدم الضغط ضمن نطاق المواصفات.
* 7) يتم توفير واقي الوعاء كمعدات قياسية (بولي كربونات).
* 8) يتم توفير واقي الوعاء كمعدات قياسية (نايلون).
* 9) لا يتوفر مزيج من التصريف التلقائي من النوع C و D.
* 10) بدون وظيفة الصمام.
* 11) لا يتوفر مزيج الوعاء المعدني 2 و 8.
* 12) عند الاختيار مع W: منفذ تصريف منظم المرشح ، سيكون محبس تصريف المشحم مزودًا بتركيبات شوكة.
* 13) بالنسبة لنوع سن الأنابيب: NPT
لا يمكن استخدامها مع مقياس ضغط من النوع الدائري (مع منطقة اللون).متوفر حسب الطلب ، وسيتم تجهيز مفتاح الضغط الرقمي مع وظيفة اختيار الوحدة ، ضبط على psi في البداية.
* 14) للخيارات: E1 ، E2 ، E3 ، E4
* 15): بالنسبة لنوع سن الأنابيب: NPT فقط.
* 16) △: حدد مع الخيارات: E1، E2، E3، E4.
مواصفات المنتج
| نموذج | AC20A-D | AC30A-D | AC40A-D | AC40A-06-D | AC50A-D | AC60A-D | |
| عنصر | منظم عامل التصفية [AW] | AW20-D | AW30-D | AW40-D | AW40-06-D | AW50-D | AW60-D |
| مزلق [AL] | AL20-D | AL30-D | AL40-D | AL40-06-D | AL50-D | AL60-D | |
| حجم الميناء | 1/8 ، 1/4 | 1/4 ، 3/8 | 1/4 ، 3/8 ، 1/2 | 3/4 | 3/4 ، 1 | 1 | |
| حجم منفذ قياس الضغط * 1) [AW] | 1/8 | ||||||
| وسط العمل | هواء نظيف | ||||||
| درجة حرارة العمل* 2) | -5 إلى 60 درجة مئوية (بدون تجميد) | ||||||
| الضغط برهان | 1.5 ميجا باسكال | ||||||
| الأعلى.ضغط التشغيل | 1.0 ميجا باسكال | ||||||
| الحد الأدنى من استنزاف السيارات ضغط التشغيل | NC [AW] | 0.1 ميجا باسكال | 0.15 ميجا باسكال | ||||
| لا [AW] | — | 0.1 ميجا باسكال | |||||
| ضبط نطاق الضغط [AW] | 0.05 إلى 0.85 ميجا باسكال | ||||||
| تصنيف الترشيح الاسمي [AW] | 5 ميكرومتر | ||||||
| فئة نقاء الهواء المضغوط* 3) | ISO 8573-1: 2010 [6: 4: -]* 4) | ||||||
| سعة الصرف [AW] | 8 سم مكعب | 25 سم مكعب | 45 سم مكعب | ||||
دقيقة.معدل تدفق يقطر* 5) [AL] | 15 لتر / دقيقة (ANR) | حجم المنفذ 1/4: 30 لتر / دقيقة (ANR) حجم المنفذ 3/8: 40 لتر / دقيقة (ANR) | حجم المنفذ 1/4: 30 لتر / دقيقة (ANR) حجم المنفذ 3/8: 40 لتر / دقيقة (ANR) حجم المنفذ 1/2: 50 لتر / دقيقة (ANR) | 50 لتر / دقيقة (ANR) | 190 لتر / دقيقة (ANR) | 220 لتر / دقيقة (ANR) | |
| سعة الزيت [AL] | 25 سم مكعب | 55 سم مكعب | 135 سم مكعب | ||||
| مزلقات موصى بها [AL] | زيت التوربينات من الفئة 1 (ISO VG32) | ||||||
| مادة الوعاء [AW / AL] | بولي كربونات | ||||||
| واقي الوعاء [AF / AL] | شبه قياسي (فولاذ) | قياسي (بولي كربونات) | |||||
| البناء [AW] | نوع التخفيف | ||||||
* 1) لا تتوفر خيوط توصيل مقياس الضغط لوحدة FRL بمقياس ضغط من النوع المضمن مربع أو بمفتاح ضغط رقمي.
* 2) -5 إلى 50 درجة مئوية للمنتجات المزودة بمفتاح الضغط الرقمي.
* 3) تمت الإشارة إلى فئة نقاء الهواء المضغوط بناءً على ISO 8573-1: 2010 الهواء المضغوط - الجزء 1: الملوثات وفئات النقاء.
* 4) فئة جودة الهواء المضغوط على جانب المدخل هي [7: 4: 4].
* 5) معدل التدفق هو 5 قطرات أو أكثر / دقيقة في ظل الظروف التالية: ضغط المدخل 0.5 ميجا باسكال ؛زيت التوربينات من الفئة 1 (ISO VG32) ؛درجة الحرارة عند 20 درجة مئوية ؛ صمام تعديل الزيت مفتوح بالكامل. بالنسبة لدائرة يتم تشغيلها وإيقاف تشغيلها بشكل متكرر على جانب المخرج ، قم بإجراء الضبط بحيث يصبح متوسط استهلاك الهواء في الدقيقة هو الحد الأدنى لمعدل تدفق التنقيط أو أكثر.
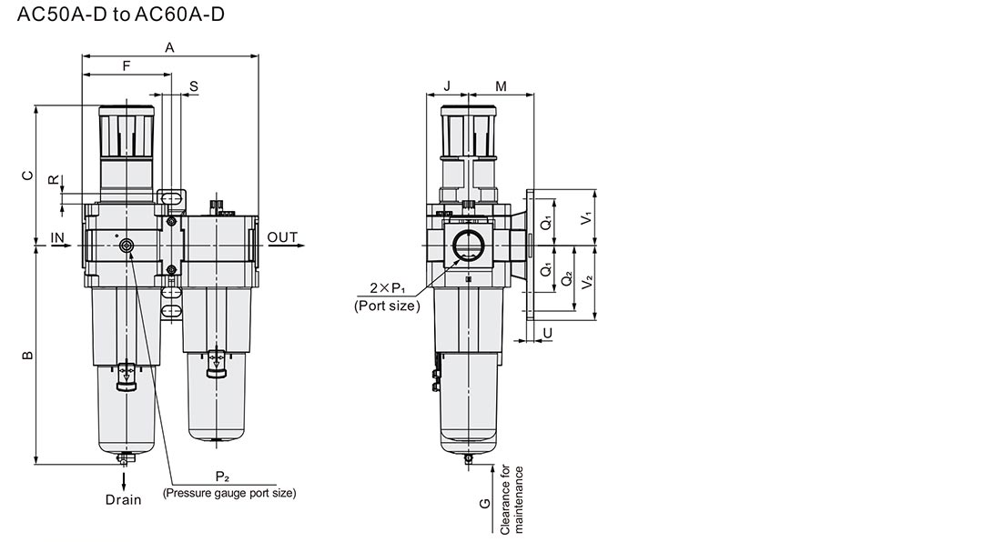
الأبعاد الرئيسية




مع صمام 3 منافذ لتخفيف الضغط (V)




كتالوج PDF
لم يتم العثور على منتجات