VG342
VPC Pneumatic
| مواصفات الضغط: | |
|---|---|
| ضغط مضمون: | |
| حجم الميناء: | |
| نوع موضوع: | |
| توافر الحالة: | |
وصف المنتج
1. انخفاض استهلاك الطاقة
DC4 واط (النوع القياسي)، DC1.8 واط (النوع الموفر للطاقة)
لا حاجة للتشحيم. من الممكن استخدامها في فراغ أو تحت ضغوط منخفضة
2. طيار خارجي
الفراغ: حتى -101.2 كيلو باسكال، الضغط المنخفض: 0 إلى 0.2 ميجا باسكال
3. التشغيل القابل للتغيير: NC، NO، أو طيار خارجي
4. يمكن استخدامه كصمام محدد أو مقسم (طيار خارجي)



* استخدم النوع التجريبي الخارجي في الحالات التالية:
1) للفراغ أو للضغط المنخفض 0.2 ميجا باسكال أو أقل.
2) عند تقليص حجم منفذ P في القطر.
مواصفات المنتج
| نوع التشغيل | من القواسم المشتركة بين NC وNO | |
| وسيط العمل | هواء | |
| نوع التمثيل | نوع الطيار الداخلي | نوع الطيار الخارجي |
| ضغط العمل | 0.2 إلى 0.9 ميجا باسكال | -101.2 كيلو باسكال إلى 0.9 ميجا باسكال |
| نطاق ضغط التشغيل التجريبي الخارجي | - | نفس ضغط التشغيل (الحد الأدنى 0.2 ميجا باسكال) |
| وقت الاستجابة* 1) | 30 مللي ثانية أو أقل (عند ضغط 0.5 ميجا باسكال) | |
| الأعلى. تردد التشغيل | 5 c/s (الحد الأدنى لتردد التشغيل: 1 c/30 يومًا بناءً على JIS B 8374-1981) | |
| درجة حرارة العمل | -10 إلى 50 درجة مئوية (بدون تجميد) | |
| تشحيم | غير مطلوب (استخدم زيت التوربينات من الفئة 1 ISO VG32، إذا كان مشحمًا.) | |
| تجاوز يدوي | نوع الدفع (غير القفل) | |
| التوجه التثبيت | غير مقيد | |
| مقاومة التأثير/الاهتزاز* 2) | 150/50 م/ث2 | |
*1) استنادًا إلى اختبار الأداء الديناميكي JIS B 8419: 2010. (درجة حرارة الملف 20 درجة مئوية، عند الجهد المقدر، بدون مانع زيادة الجهد)
*2) مقاومة الصدمات: لم يحدث أي خلل عند اختباره باستخدام جهاز اختبار السقوط في الاتجاه المحوري وفي الزوايا اليمنى للصمام الرئيسي وعضو الإنتاج في كل من حالات التنشيط وإلغاء تنشيطه مرة واحدة لكل حالة. (القيم في الفترة الأولية)
مقاومة الاهتزاز: لم يحدث أي خلل في اختبار المسحة الواحدة بين 45 و1000 هرتز. تم إجراء الاختبار في كل من حالات تنشيط وإلغاء تنشيط في الاتجاه المحوري وفي الزوايا اليمنى للصمام الرئيسي وعضو الإنتاج. (القيم في الفترة الأولية)
| حجم الميناء | خصائص التدفق | |||||||||||
| 1 → 2 (P → A) | 2 → 3 (A → R) | 2 → 1 (A → P) | 3 → 2 (R → A) | |||||||||
C [DM³/(S · BAR)] | b | السيرة الذاتية | C [DM³/(S · BAR)] | b | السيرة الذاتية | C [DM³/(S · BAR)] | b | السيرة الذاتية | C [DM³/(S · BAR)] | b | السيرة الذاتية | |
| 1/2 | 26 | 0.38 | 7.0 | 27 | 0.37 | 7.4 | 27 | 0.36 | 7.3 | 25 | 0.37 | 6.8 |
| 3/4 | 38 | 0.30 | 9.8 | 38 | 0.32 | 9.8 | 40 | 0.22 | 9.8 | 40 | 0.20 | 9.6 |
| حجم الميناء | المنطقة الفعالة (مم²) | |
| 1 → 2 (P → A) | 2 → 3 (أ → ف) | |
| 1 | 210 | 235 |
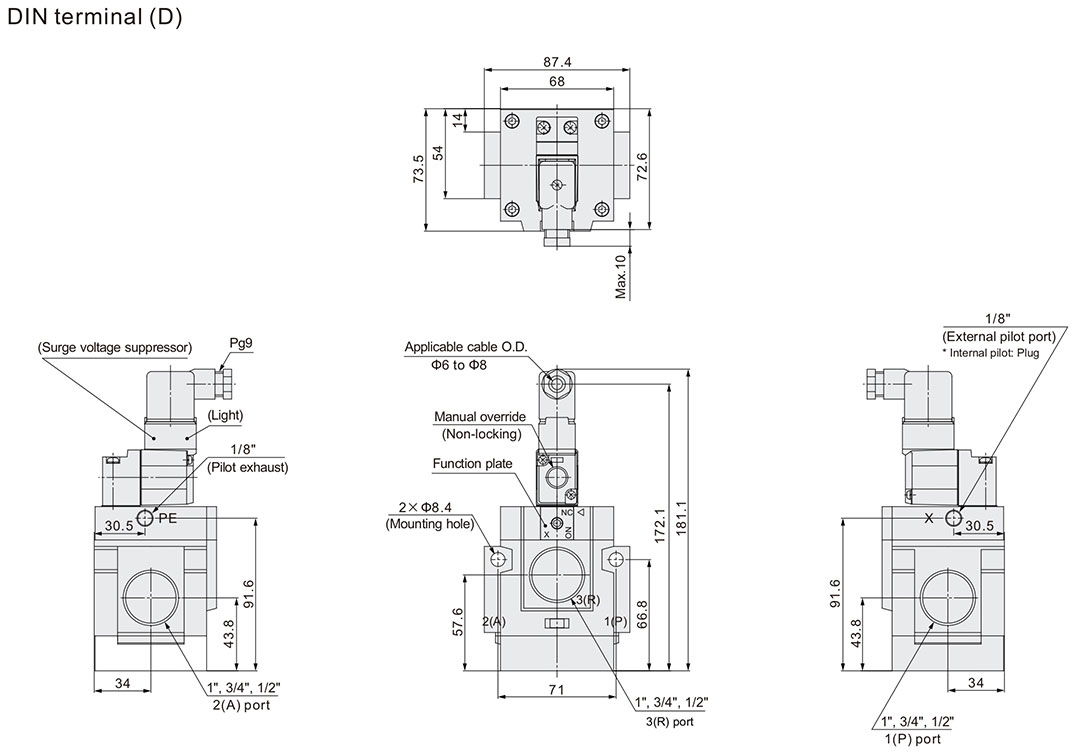
| الدخول الكهربائي | Grommet (G) ، Terminal DIN (D) | ||
| العلبة | محكم الغبار | ||
| لفائف الجهد الجهد | تيار متردد (50/60 هرتز) | 100 فولت، 200 فولت، 110 فولت، 220 فولت، 240 فولت | |
| العاصمة | 24 فولت، 12 فولت | ||
| تذبذب الجهد المسموح به | -15 إلى +10% من الجهد المقنن | ||
| الطاقة الظاهرة VA (هرتز) | AC | تدفق | 12.7(50)، 10.7(60) |
| عقد | 7.6(50)، 5.4(60) | ||
| استهلاك الطاقة | العاصمة | بدون ضوء المؤشر: 4 وات مع ضوء المؤشر: 4.2 وات | |
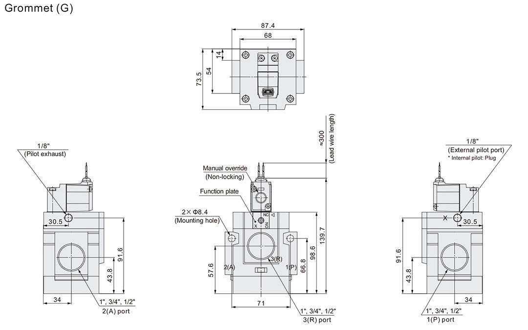
أبعاد المنتج


عند تغيير حالة المرور، تأكد من إزالة الضغط من الصمام. قم بفك برغي غطاء رأس المقبس السداسي M4 x 0.7 الموجود في لوحة التبديل وقم بمطابقة العلامة ◀ الموجودة على لوحة المحول مع الحرف الموجود على لوحة التغيير. الأنابيب على النحو التالي.

تصاعد عزم الدوران تشديد المسمار
M4: 1.4 نيوتن متر
Piping
مرور/ميناء السوائل | P | A | R |
نورث كارولاينا | جانب المدخل | جانب المخرج | جانب العادم (القابس، في حالة وجود صمامين بمنفذين) |
لا | جانب العادم (القابس، في حالة وجود صمامين بمنفذين) | جانب المخرج | جانب المدخل |
خارجي | النقل الشامل (أنابيب جانب ضغط المدخل ممكنة في أي مكان) | ||
*1) في حالة الدليل الداخلي، تأكد من إدخال القابس في منفذ X. إذا لم يكن الأمر كذلك، أدخل قابس R 1/8.
*2) في حالة الطيار الخارجي، قم بتزويد ضغط الهواء من منفذ X.
تأكد من السلامة بشكل كافٍ وتصرف بحذر عند تغيير حالة المرور أو إعادة التشغيل بعد التغييرات.
كتالوج PDF
لم يتم العثور على منتجات