VBAT10A-FSV-Q
VPC Pneumatic
| مادة الجسم المنظم Bbooster: | |
|---|---|
| ضغط العمل: | |
| سعة الخزان: | |
| مادة الخزان: | |
| توافر الحالة: | |
وصف المنتج
خزانات VBAT-Q حاصلة على شهادة CE للاستخدام في أوروبا والدول الأخرى التي تتطلب الامتثال لتوجيهات معدات الضغط الأوروبية (PED).
1. التوصيلات المدمجة ممكنة مع منظمات التعزيز.
2. سهل التركيب.
3. توليد حرارة منخفضة. يتم توليد حرارة قليلة جدًا بسبب عدم استخدام الكهرباء، ويكون هناك تأثير على الأسطوانات وصمامات الملف اللولبي وما إلى ذلك.
4. يمكن استخدامه بمفرده كخزان.
5. متوافق أيضًا جزئيًا مع المعايير الخارجية.


* عند استخدامه كوحدة واحدة (غير متصلة بمنظم معزز) وضغطه بأكثر من 1 ميجا باسكال في درجات الحرارة العادية.
مواصفات المنتج
| نموذج | VBAT05A□-SV-Q | VBAT10A□-SV-Q | VBAT20A□-RV-Q | VBAT38A□-RV-Q |
| وسط العمل | هواء ضاغط | |||
| سعة الخزان | 5 لتر | 10 لتر | 20 لتر | 38 لتر |
| الأعلى.ضغط التشغيل | 2.0 ميجا باسكال | 1.0 ميجا باسكال | ||
| في حجم المنفذ | 3/8 | 1/2 | 3/4 | |
| حجم المنفذ الخارجي | 3/8 | 1/2 | 1/2 | 3/4 |
| الضغط برهان | 3.3 ميجا باسكال | 1.6 ميجا باسكال | ||
| درجة حرارة العمل | من 0 إلى 75 درجة مئوية | |||
| تثبيت | أفقي (تركيب الأرضية) | |||
| وزن | 6.6 كجم | 10 كجم | 14 كجم | 21 كجم |
| مادة | الصلب الكربوني (SS400) | |||
| طلاء | الخارج: طلاء فضي، الداخل: طلاء مقاوم للصدأ | |||
*1) الملحقات متضمنة في نفس الحاوية.
*2) قد تكون هناك خدوش وخدوش وبقع وألوان غير متساوية على السطح، ولكنها لا تؤثر على وظيفة المنتج أو أدائه.
| نموذج | VBAT05A□-SV-Q | VBAT10A□-SV-Q | VBAT20A□-RV-Q | VBAT38A□-RV-Q |
| مجموعة من الإكسسوارات | VBAT5A-Y-2 | VBAT10A-Y-2 | VBAT20A-Y-2 | |
| صمام الأمان | VBAT-S (ضبط الضغط: 2 ميجا باسكال) | VBAT-R (ضبط الضغط: 1 ميجاباسكال) | ||
| استنزاف صمام | VBAT-V1 | |||
مجموعة الملحقات عبارة عن مجموعة من الأرقام. ① ل ⑤.
| لا. | نموذج | VBAT5A-Y-2 | VBAT10A-Y-2 | VBAT20A-Y-2 |
| وصف | كمية | |||
| ① | مجموعة الحافلات (مع الحلقة O) | 1 | 1 | 1 |
| ② | مقبس سداسي الرأس مستدق المسمار (لميناء الصرف) | 1 | 1 | 1 |
| ③ | برغي غطاء رأس مقبس سداسي | 4 | 4 (VBA1□A) 4 (VBA2□A) | 4 |
| ④ | مرساة الترباس/الجوز | — | — | 4 |
| ⑤ | مقبس سداسي الرأس مستدق المسمار (لمنفذ صمام الأمان) | 1 | 1 | 1 |

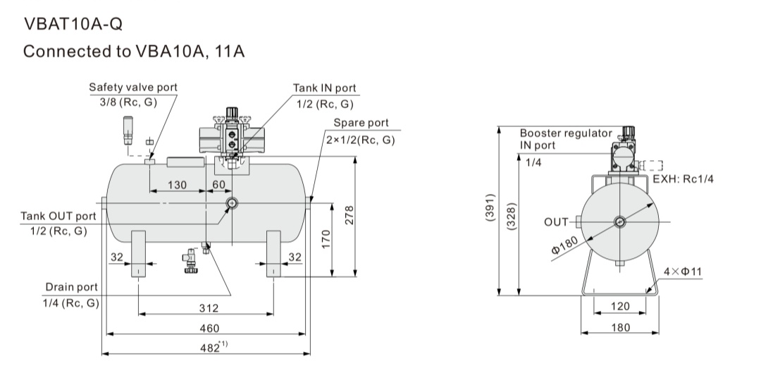
الأبعاد الرئيسية
■ الأبعاد الرئيسية

*1) قد يكون الطول أطول من المواصفات إذا كانت المقابس المثبتة على الخزان غير مناسبة للنهاية.
*2) تم تثبيت القابس الموجود في المنفذ الاحتياطي بإحكام بمادة لاصقة.عند إزالة القابس لاستخدام المنفذ، كن حذرًا حتى لا يتلف القابس.


*1) قد يكون الطول أطول من المواصفات إذا كانت الأنابيب المثبتة على الخزان غير مناسبة للنهاية.
*2) تم تثبيت القابس الموجود في المنفذ الاحتياطي بإحكام بمادة لاصقة.عند إزالة القابس لاستخدام المنفذ، كن حذرًا حتى لا يتلف القابس.

*1) قد يكون الطول أطول من المواصفات إذا كانت المقابس المثبتة على الخزان غير مناسبة للنهاية.
*2) تم تثبيت القابس الموجود في المنفذ الاحتياطي بإحكام بمادة لاصقة.عند إزالة القابس لاستخدام المنفذ، كن حذرًا حتى لا يتلف القابس.
(مم)
| وضع منظم الداعم | A | B | C | د* |
| VBA20A | 481 | 394 | آر سي 3/8 | — |
| VBA40A | 520 | 429.8 | آر سي 1/2 | — |
| VBA22A | 444 | 394 | آر سي 3/8 | 469 |
| VBA42A | 477 | 429.8 | آر سي 1/2 | 493 |

*1) قد يكون الطول أطول من المواصفات إذا كانت المقابس المثبتة على الخزان غير مناسبة للنهاية.
*2) تم تثبيت القابس الموجود في المنفذ الاحتياطي بإحكام بمادة لاصقة.عند إزالة القابس لاستخدام المنفذ، كن حذرًا حتى لا يتلف القابس.
(مم)
| وضع منظم الداعم | A | B | C | د* |
| VBA20A | 531 | 444 | آر سي 3/8 | — |
| VBA40A | 570 | 479.8 | آر سي 1/2 | — |
| VBA22A | 494 | 444 | آر سي 3/8 | 519 |
| VBA42A | 527 | 479.8 | آر سي 1/2 | 543 |
كتالوج PDF
لم يتم العثور على منتجات