VT307
VPC Pneumatic
| ضغط العمل: | |
|---|---|
| درجة حرارة العمل: | |
| مقاومة التأثير/الاهتزاز: | |
| نوع التشغيل: | |
| حجم الميناء: | |
| نوع موضوع: | |
| توافر الحالة: | |
وصف المنتج
يتميز منفذ السلسلة VT 3، والصمامات القفازية التي تعمل مباشرة، بأنها مدمجة، ولكنها توفر سعة تدفق كبيرة، واستهلاكًا منخفضًا للطاقة. السلسلة مناسبة للاستخدام في تطبيقات الفراغ.
صمام VT هو صمام واحد به 6 وظائف (نوع النقل العام) مثل صمام NC، وصمام NO، وصمام مقسم، وصمام محدد، وما إلى ذلك. يمكن تحويل الصمام ذو النمط المشعب، سلسلة VO، بسهولة من NC (مغلق عادةً) إلى NO (مفتوح عادةً) بمجرد قلب غطاء المفتاح.


مواصفات المنتج
| نوع التشغيل | تشغيل النوع الثاني من التشغيل المباشر من النوع الثاني من الملف اللولبي |
| وسيط العمل | هواء |
| ضغط العمل | 0 إلى 1 ميجا باسكال (نوع الضغط العالي)، 0 إلى 0.7 ميجا باسكال (النوع القياسي) |
| درجة حرارة العمل | -10 إلى 50 درجة مئوية (بدون تجميد) |
| وقت الاستجابة *1) | 20 مللي ثانية أو أقل (عند 0.5 ميجا باسكال) |
| الأعلى. تردد التشغيل | 10 هرتز |
| تشحيم | غير مطلوب (استخدم من فئة زيت التوربينات 1 LSO VG32 ، إذا تم التشحيم.) |
| تجاوز يدوي | نوع الدفع (غير القفل) |
| التوجه التثبيت | غير مقيد |
| مقاومة التأثير/الاهتزاز *2) | 150/50 م/ثانية |
| العلبة | مقاومة للغبار |
| الدخول الكهربائي | جروميت، محطة DIN | ||
| لفائف الجهد الجهد | AC (50/60 هرتز) | 100V ، 200V ، 110V*، 220V*، 240V* | |
| العاصمة | 24V ، 12V* | ||
| تذبذب الجهد المسموح به | -15 إلى +10 ٪ من الجهد المقنن | ||
| القوة الظاهرة *3، *4) | AC | تدفق | 12.7 فولت أمبير (50 هرتز)، 10.7 فولت أمبير (60 هرتز) |
| العاصمة | عقد | 7.6 فولت أمبير (50 هرتز)، 5.4 فولت أمبير (60 هرتز) | |
| استهلاك الطاقة *3، *4) | العاصمة | بدون ضوء المؤشر: 4 وات، مع ضوء المؤشر: 4.2 وات | |
| كاتم جهد الضوء/الارتفاع المفاجئ (نوع محطة DIN فقط) | AC | المقاوم، LED | |
| العاصمة | الصمام الثنائي، الصمام | ||
* شبه قياسية.
*1) استنادًا إلى اختبار الأداء الديناميكي ، JIS B 8419: 2010.
*2) مقاومة التأثير: لم يحدث أي عطل عند اختباره باستخدام اختبار إسقاط في الاتجاه المحوري وفي الزوايا الصحيحة إلى الصمام الرئيسي ومركبة في كل من الحالات النشطة والتنشيط كل مرة لكل حالة. (القيم في الفترة الأولية)
مقاومة الاهتزاز: لم يحدث أي عطل في اختبار واحد من 45 و 1000 هرتز. تم إجراء الاختبار في كل من الحالات النشطة وإلغاء التنشيط في الاتجاه المحوري وفي الزوايا الصحيحة إلى الصمام الرئيسي ومركبة. (القيم في الفترة الأولية)
*3) في الجهد التصنيف.
*4) تختلف القيمة بالنسبة لنوع الخدمة المستمرة (VT307E)، والنوع الموفر للطاقة (VT307Y/W).
راجع 'خيارات الصمام' الموضحة أدناه. تأكد من عدم دخول الغبار و/أو المواد الغريبة الأخرى إلى الصمام من المنفذ غير المستخدم (مثل منفذ العادم).
| نموذج الصمام | حجم المنفذ | خصائص معدل التدفق | |||||||||||
| 1 → 2 (P → A) | 2 → 3 (A → R) | 3 → 2 (R → A) | 2 → 1 (A → P) | ||||||||||
C [ مارك ألماني 3/(ق · بار)] | b | السيرة الذاتية | C [ مارك ألماني 3/(ق · بار)] | b | السيرة الذاتية | C [ مارك ألماني 3/(ق · بار)] | b | السيرة الذاتية | C [ مارك ألماني 3/(ق · بار)] | b | السيرة الذاتية | ||
| VT307 | 1/8 | 0.71 | 0.35 | 0.18 | 0.68 | 0.27 | 0.17 | 0.65 | 0.36 | 0.17 | 0.63 | 0.35 | 0.17 |
| VT307V (نوع مواصفات الفراغ) | 1/8 | ||||||||||||
| VT307E (نوع العمل المستمر) | 1/8 | 0.41 | 0.26 | 0.10 | 0.44 | 0.35 | 0.11 | 0.48 | 0.27 | 0.12 | 0.35 | 0.33 | 0.10 |
| VT307Y (النوع الموفر للطاقة) | 1/8 | ||||||||||||
| VT307W (موفر للطاقة، نوع مواصفات الفراغ) | 1/8 | ||||||||||||
| VT307 | 1/4 | 0.71 | 0.31 | 0.19 | 0.71 | 0.25 | 0.17 | 0.68 | 0.33 | 0.17 | 0.71 | 0.26 | 0.18 |
| VT307V (نوع مواصفات الفراغ) | 1/4 | ||||||||||||
| VT307E (نوع العمل المستمر) | 1/4 | 0.49 | 0.20 | 0.12 | 0.44 | 0.34 | 0.11 | 0.48 | 0.17 | 0.12 | 0.46 | 0.28 | 0.11 |
| VT307Y (النوع الموفر للطاقة) | 1/4 | ||||||||||||
| VT307W (موفر للطاقة، نوع مواصفات الفراغ) | 1/4 | ||||||||||||
نوع العمل المستمر: VT307E
يوصى بالاستخدام الحصري لـ VT307E للخدمة المستمرة مع التحميل لفترة طويلة.
▲ الحذر
1. هذا النموذج مخصص للخدمة المستمرة، وليس لمعدلات الدورات العالية. ولكن حتى في معدلات الدورات المنخفضة، في حالة تنشيط الصمام أكثر من مرة يوميًا، يرجى استشارة VPC.
2. يجب أن يتم تنشيط الملف اللولبي مرة واحدة على الأقل في 30 يومًا.
المواصفات المختلفة عن المعيار هي كما يلي.
| الطاقة الظاهرة/التيار المتردد | تدفق | 7.9 فولت أمبير (50 هرتز)، 6.2 فولت أمبير (60 هرتز) |
| عقد | 5.8 فولت أمبير (50 هرتز)، 3.5 فولت أمبير (60 هرتز) | |
| استهلاك الطاقة/تيار مستمر | 1.8 وات، مع ضوء المؤشر: 2 وات | |
| وقت الاستجابة* | 30 مللي ثانية أو أقل (عند 0.5 ميجا باسكال) | |
*يرجى الرجوع إلى 'المواصفات' القياسية في الصفحة 2 *1.
النوع الموفر للطاقة: VT307Y (VT307W)
إذا كان استهلاك الطاقة المنخفض مطلوبًا للتحكم الإلكتروني، فيوصى بـ 'VT307Y(W)' (1.8 واط). المواصفات المختلفة عن المعيار هي كما يلي.
| استهلاك الطاقة/تيار مستمر | 1.8 وات، مع ضوء المؤشر: 2 وات |
| وقت الاستجابة* | 25 مللي ثانية أو أقل (عند 0.5 ميجا باسكال) |
* يرجى الرجوع إلى 'المواصفات' القياسية في الصفحة 2 *1.
المواصفات فراغ. النوع: VT307V (VT307W)
يحتوي هذا النموذج الفراغي على تسرب هواء أقل من النموذج القياسي تحت الضغط المنخفض. يوصى بتطبيق الفراغ.
| نطاق ضغط التشغيل | -101.2 كيلو باسكال إلى 0.1 ميجا باسكال |
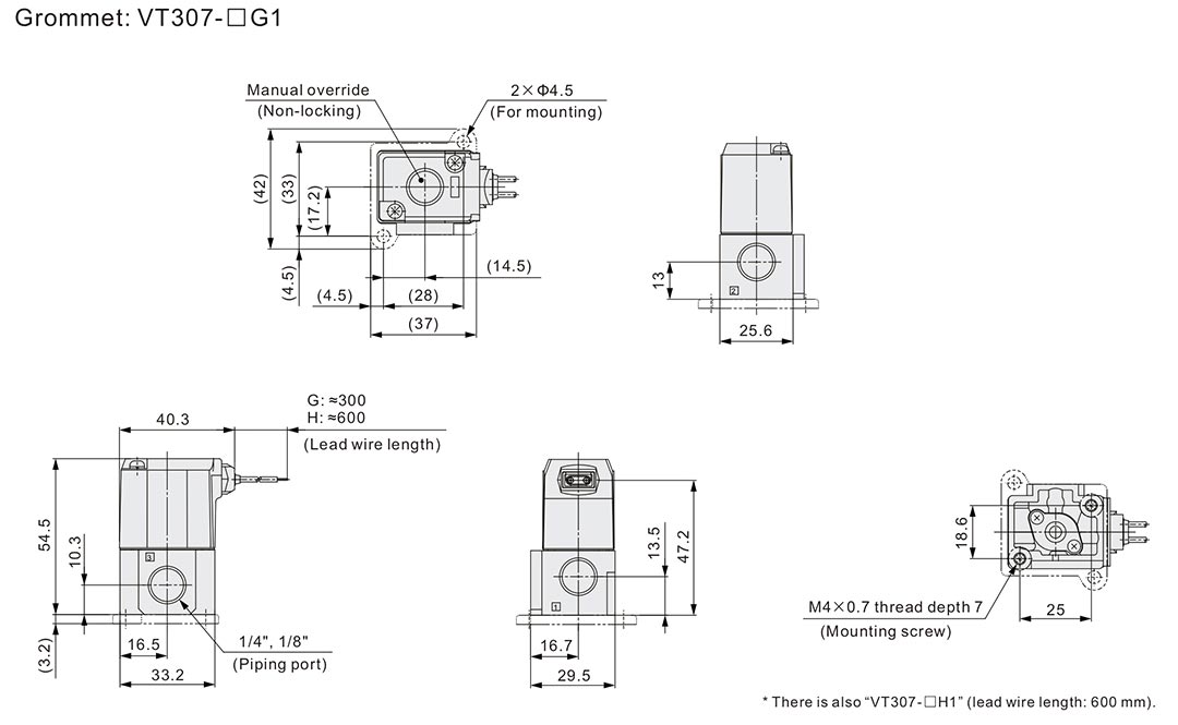
الأبعاد الرئيسية


كتالوج PDF
لم يتم العثور على منتجات