تتوفر سلسلة VK كـ 3 و 5 من المنفذ الملف اللولبي ، و poppet المباشر ، وصمام ختم المطاط. ويلبي المواصفات الخالية من النحاس لأن جميع الأجزاء الملامسة مع السوائل مصنوعة من مواد غير كوببر. صمام مضغوط (عرض 18 × طوله 68 مم) ، تتوفر سلسلة VK بأسلوب محموم من جسم أو مثبت عليه.
VK332
VPC Pneumatic
8412909000
| منافذ الاتصال: | |
|---|---|
| محطات على مشعب: | |
| الجسم: | |
| ضمان الجودة: | |
| توافر الحالة: | |
وصف المنتج
1. النقل العالمي : متاح ل NC Valve ، n .o. صمام ، صمام مقسم ، صمام محدد ، إلخ.
2. مضغوط: العرض 18 × الطول 63 (مم)
3. انخفاض استهلاك الطاقة: DC 4W (النوع القياسي) ، DC 2W (نوع القوة الكهربائية المنخفضة)
4. مناسبة للاستخدام في تطبيقات الفراغ -101.2KPA
5. مناسبة للاستخدام في التطبيقات الخالية من النحاس
※ لا تحتوي الأجزاء التي تتلامس مع flfluids على النحاس ، وبالتالي تمكين المنتج القياسي لاستخدامه كما هو.


مواصفات المنتج
| مودل | VK332 | VK332Y | VK332E | VK332V | VK332W |
| وسيط العمل | الهواء النظيف | ||||
| نوع التمثيل | نوع التمثيل المباشر | ||||
| طرق | 2 المنفذ 3 منفذ | ||||
| درجة حرارة العمل | -5 إلى 50 ℃ (بدون تجميد) | ||||
| وقت الاستجابة (عند 0.5mpa) | 10 مللي ثانية أو أقل (قياسية) ، 15 مللي ثانية أو أقل (نوع استهلاك الطاقة المنخفض) | ||||
| تجاوز يدوي | نوع الدفع غير القفل | ||||
| تشحيم | غير مطلوب (استخدم من فئة زيت التوربينات 1 ISO VG32 ، إذا تم التشحيم.) | ||||
| التوجه التثبيت | غير مقيد | ||||
| imapact/مقاومة الاهتزاز | 300/50 م/ثانية | ||||
| العلبة | مقاومة للغبار | ||||
| الدخول الكهربائي | Grommet (G) ، Terminal DIN (D) | ||
| الجهد المقنن (V) | AC | 100 ، 110 ، 200 ، 220 ، 240 | |
| العاصمة | 12 ، 24 | ||
| تذبذب الجهد المسموح به | ± 10 ٪ من الجهد المقنن | ||
| القوة الظاهرة (AC) | النوع القياسي | تدفق | 9.5 VA/50 هرتز ، 8 VA/60 هرتز |
| عقد | 7 VA/50 هرتز ، 5 VA/60 هرتز | ||
| نوع الواجب المستمر | تدفق | 3.5 VA/50 Hz ، 303 VA/60 Hz | |
| عقد | 3 VA/50 هرتز ، 2.8 VA/60 هرتز | ||
| استهلاك الطاقة (DC) | W/O مؤشر ضوء | 4W (قياسي) ، 2W (نوع استهلاك الطاقة المنخفض) | |
| ث/ مؤشر ضوء | 4.3W (قياسي) ، 2.3W (نوع استهلاك الطاقة المنخفض) | ||
| قمع الجهد الطفرة | AC | فارس | |
| العاصمة | الصمام الثنائي (متغير لـ 12 VDC أو أقل) | ||
| مؤشر ضوء | AC | لمبة النيون | |
| العاصمة | قاد | ||
* في الجهد المقنن

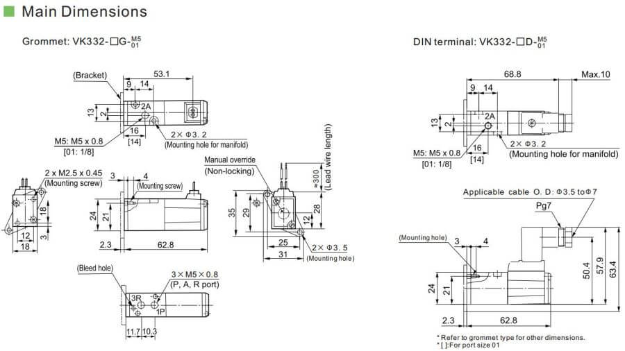
الأبعاد الرئيسية

الأسئلة الشائعة عن المنتج
س 1. هل تفشل صمامات الملف اللولبي مفتوحًا أم مغلقًا؟
عادة ما يشير مغلق أو مفتوح عادة إلى موضع الملف اللولبي عندما يتم إلغاء تنشيط الملف. ستعمل الملف اللولبي المغلقة عادة على منع إمدادات الهواء من المشغل عندما يتم إلغاء تنشيط الملف. عادةً ما تسمح الملف اللولبي المفتوح بمسار مفتوح لإمداد الهواء بالوصول إلى المشغل عندما يتم إلغاء تنشيط الملف.
س 2. صمام الملف اللولبي لا يفتح / يغلق بشكل صحيح؟
تحقق من مصدر الطاقة وتأكد من صحة الجهد والتردد. تحقق أيضا من الاتصالات. تحقق مما إذا كان اتجاه التدفق يتطابق مع المؤشرات على جسم الصمام أو يتطابق ضمن حدود كما هو محدد في دليل الصمام.
س 3. ما هي أكثر مشكلات الصمام الملف اللولبي شيوعًا؟
تشمل مشكلات الملف اللولبي الشائع الغطاسات التي تتعثر إما داخل أو خارج الصمامات المرفقة التي يتم تجميدها في مكانها ، ولفائف الملف الداخلية السيئة ، والضوضاء المفرطة أثناء التشغيل. بعض هذه المشكلات هي نتيجة لقضايا الملف اللولبي الداخلي ، في حين أن البعض الآخر عادة ما يكون ناتجًا عن مكونات خارجية.
س 4. متى يجب استبدال صمام الملف اللولبي ؟
كقاعدة عامة للإبهام ، إذا أظهر صمام الملف اللولبي علامات التآكل أو الضرر ، فمن المحتمل أن يكون الوقت قد حان للاستبدال.
س 5. لولاية الملف اللولبي استكشاف الأخطاء وإصلاحها
تحقق مما إذا كان مصدر الطاقة صحيحًا ويمكن أن يتبدد الملف الحرارة عن طريق التهوية. قم بتثبيت ملف جديد وعدم تشغيل الملف أبدًا عند عدم تركيبه على الصمام. تحقق من الرطوبة داخل واستبدال إذا لزم الأمر. استبدل أي أذرع تالفة أو عازمة أيضًا ، وتحقق من توافق الوسائط مع صمامك.
كتالوج PDF
لم يتم العثور على منتجات