رئيس تجريبي عالي الدقة 5S/الوقت ، حساسية عالية ، لا عالق ;
دائرة حماية مدمجة ضد الطفرة ، متصلة مباشرة بـ PLC دون ترحيل وسيط إضافي ;
لا تصميم هيكل إعادة تعيين الهواء الربيعي ، سرعة الاستجابة السريعة ، لا التعب ، الحياة الطويلة ؛
لفائف واحدة ، مزدوجة اختيارية ، يمكن مطابقة بشكل تعسفي ؛
قواعد صمام متعددة متكاملة.
SY3000-5F
VPC Pneumatic
8412909000
| وسيط العمل: | |
|---|---|
| ضغط العمل: | |
| درجة حرارة العمل: | |
| فئة الحماية: | |
| نوع التثبيت: | |
| توافر الحالة: | |
وصف المنتج

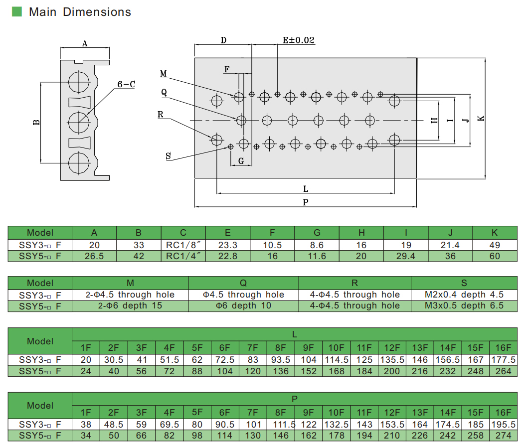
الأبعاد الرئيسية

لم يتم العثور على منتجات