PSE560
VPC Pneumatic
8481804090
| وسيط العمل: | |
|---|---|
| اضبط نطاق الضغط: | |
| تصنيف الضميمة: | |
| توافر الحالة: | |
وصف المنتج
1. PSE560 مخصص لنطاق ضغط النظام الهوائي القياسي، في حين أن موديل PSE564 مخصص للضغط المنخفض.
2. مستشعر الضغط عن بعد للأغراض العامة للسائل أو الغاز عند 1 ميجا باسكال أو أقل.
3. يتضمن كابلًا ثابتًا مع خيار الموصل السلكي الميداني.
4. خالي من الزيت (بناء غشاء واحد)، تصنيف الضميمة IP65.

| وصف | رقم الجزء | مادة | ملحوظة |
| موصل للتحكم في مستشعر الضغط | ZS-28-C | — | حاسب شخصي 1. |
| محول مع مقيد Rc1/4 | ZS-31-X175 | الفولاذ المقاوم للصدأ 304 | حاسب شخصي 1. |
| محول مع مقيد NPT1/4 | ZS-31-X186 | حاسب شخصي 1. | |
| محول مع مقيد Rc1/8 | ZS-31-X188 | حاسب شخصي 1. | |
| محول مع مقيد NPT1/8 | ZS-31-X189 | حاسب شخصي 1. | |
| فتحة M5 | ZS-48-A | الفولاذ المقاوم للصدأ 303 | حاسب شخصي 1. |
مواصفات المنتج
| نموذج | PSE560 (الضغط الإيجابي) | PSE561 (ضغط الفراغ) | PSE563 (الضغط المركب) | PSE564 (الضغط الإيجابي) | |
| نطاق الضغط المقدر | 0 إلى 1 ميجا باسكال | 0 إلى -101 كيلو باسكال | -100 إلى -100 كيلو باسكال | 0 إلى 500 كيلو باسكال | |
| تمديد نطاق الإخراج التناظري | -0.1 إلى 0MPa | 10.1 إلى 0 كيلو باسكال | — | -50 إلى 0 كيلو باسكال | |
| الضغط برهان | 1.5 ميجا باسكال | 500 كيلو باسكال | 500 كيلو باسكال | 750 كيلو باسكال | |
| نموذج | PSE56□-□ | PSE56□-□-28 | |
| وسط العمل | سائل أو غاز لا يتآكل أو يهاجم الفولاذ المقاوم للصدأ 316L | ||
| جهد إمداد الطاقة | تيار مباشر من 12 إلى 24 فولت ±10%، تموج (pp) 10% أو أقل (مع حماية التوصيل العكسي) | ||
| الاستهلاك الحالي | 10 مللي أمبير أو أقل | — | |
| مواصفات الإخراج | خرج تشابهي: 1 إلى 5 فولت (ضمن نطاق الضغط المقنن) 0.6 إلى 1 فولت (ضمن نطاق الإخراج التناظري الممتد) مقاومة الإخراج: حوالي 1 كيلو أوم | خرج تشابهي: DC4 إلى 20 مللي أمبير (ضمن نطاق الضغط المقنن) أقصى مقاومة للحمل: 500 أوم أو أقل (عند DC24 فولت) 100 أوم أو أقل (عند DC12 فولت) | |
دقة (درجة الحرارة المحيطة عند 25 درجة مئوية) | ±1%FS (ضمن نطاق الضغط المقدر)، ±3%FS (ضمن نطاق الإخراج التناظري الممتد) | ||
| الخطية | ±0.5% FS | ||
| التكرار | ±0.2% FS | ||
| تأثير الجهد الكهربائي | ±0.3% FS | ||
| بيئة | نسيج | IP65 | |
| درجة حرارة التشغيل | التشغيل: من 10 إلى 60 درجة مئوية، المخزن: -20 إلى 70 درجة مئوية (بدون تجميد أو تكثيف) | ||
| رطوبة العملية | التشغيل/المخزن: 35 إلى 85% رطوبة نسبية (بدون تكثيف) | ||
| تحمل الجهد | AC250V لمدة دقيقة واحدة بين المحطات والإسكان | ||
| مقاومة العزل | 50MΩ أو أكثر (تيار مستمر 50 فولت يتم قياسه عبر مقياس الضخامة) بين المحطات والمبيت | ||
| خصائص درجة الحرارة | ±2% FS (0 إلى 50 درجة مئوية: 25 درجة مئوية مرجعي)، ±3% FS (-10 إلى 60 درجة مئوية: 25 درجة مئوية مرجعي)
| ||
| كابل الاستشعار | PSE56 - : كابل فينيل عالي التحمل مقاوم للزيت مع أنابيب هواء، 3 قلوب، Φ5.1، 3 م، منطقة الموصل: 0.2 مم²، القطر الخارجي للعازل: 1.12 مم PSE56 - -28: كابل فينيل عالي التحمل مقاوم للزيت مع أنابيب هواء، 2 قلب، Φ5.1، 3 م، منطقة الموصل: 0.2 مم²، القطر الخارجي للعازل: 1.12 مم | ||
| مادة الأنابيب | العلبة: C3604 + طلاء النيكل، منفذ الأنابيب/مستشعر الضغط: الفولاذ المقاوم للصدأ 316L، خالي من الشحوم | ||
| المعايير | علامة CE (توجيه EMC/توجيه RoHS)، UL/CSA (E216656) | ||


| يتراوح | نطاق الضغط المقدر | A | B | C |
| لضغط الفراغ | 0 إلى -101 كيلو باسكال | 0 كيلو باسكال | -101 كيلو باسكال | 10.1 كيلو باسكال |
| للضغط المركب | -100 إلى 100 كيلو باسكال | -100 كيلو باسكال | 100 كيلو باسكال | ― |
| للضغط الإيجابي | 0 إلى 1 ميجا باسكال | 0 كيلو باسكال | 1 ميجا باسكال | -0.1 ميجا باسكال |
| 0 إلى 500 كيلو باسكال | 0 كيلو باسكال | 500 كيلو باسكال | -50 كيلو باسكال |
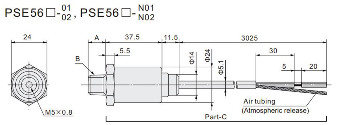
الأبعاد الرئيسية

* أبعاد الجزء C شائعة في جميع موديلات PSE56.
* تأكد من إطلاق الهواء في أنابيب الهواء من الكابل إلى الغلاف الجوي. إذا كان أنبوب الهواء مقيدًا أو تركه بالداخل البيئات التي تتعرض فيها للماء أو الزيت، ولا يمكن اكتشافه بشكل طبيعي

كتالوج PDF
لم يتم العثور على منتجات