تصفح الكمية:4 الكاتب:محرر الموقع نشر الوقت: 2025-02-17 المنشأ:محرر الموقع
◆ موقع VPC الرسمي للغة الإسبانية
في الأنظمة الهوائية ، رمز دائرة التحكم في صمام الملف اللولبي هو رسم تخطيطي يستخدم لوصف وظيفته ، وعادة ما يتكون من سهام , مربع ، ' t ' والأحرف الإنجليزية.
يوضح مخطط صمام الملف اللولبي منطق الاتصال والتحكم في صمام الملف اللولبي داخل النظام. يتبع رمز صمام الملف اللولبي في مخطط الدائرة الهوائية معايير ISO 1219 و ANSI.
1. الموضع مقابل بورت
' عدد المواقف ': يشير إلى عدد مواقع العمل في بكرة صمام صمام الملف اللولبي. تمثل المربعات الموجودة في الرمز الرسومي مواضع عمل الصمام ، ويمثل عدد المربعات عدد المواضع.

' عدد المنافذ ': يشير إلى عدد المنافذ غير المتصلة على جسم الصمام. يتم تحديده من خلال مراقبة عدد النقاط في المربع الذي يتقاطع مع خط السهم يمثل طرفي خط السهم منفذيين ، ويمثل T منفذًا واحدًا ، وعدد النقاط هو 'عدد المنافذ '. وخط T.
2 المنفذ 3 المنفذ
2 موقف 5 منفذ
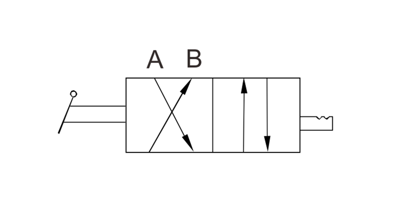
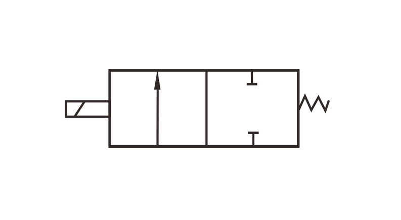
2. رمز صمام الملف اللولبي

يشير ① ' □ ' إلى موضع بكرة الصمام ، والتي عادة ما تكون مربعين أو ثلاثة . عدد يشير المربعات إلى عدد 'المواضع ' . يمثل الصندوق القريب من الملف حالة التخزين المؤقت للصمام عندما يتم تنشيط الملف ، ويمثل المربع بالقرب من الربيع حالة صمام الصمام عندما يتم إلغاء تنشيط الملف ويتم إعادة تعيين الربيع.
يشير ② '→ ' إلى أن المنفذين متصلان ، لكن اتجاه السهم لا يشير بالضرورة إلى الاتجاه الفعلي لتدفق الهواء (يخضع الاتجاه المحدد للموقف الفعلي ).
يشير ③ '┻ ' أو '┳ ' إلى أن المنفذ مغلق.
④ يشير عدد الواجهات المتصلة إلى الخارج من المربع إلى عدد منافذ '.
⑤ يمثل النمط الموجود على اليسار لفائف الملف اللولبي.
⑥ يمثل النمط الموجود على اليمين ربيعًا.
⑦ تمثل الأحرف الإنجليزية المنافذ الموجودة على جسم الصمام ، والتي هي منفذ عمل , منفذ المدخل ، ومنفذ العادم . وهي مقسمة إلى ثلاثة اتجاهات وأربعة اتجاهين.
- منفذ مدخل (P): تواصل بوحدات المعالجة الجوية.
- منفذ العمل (A و B): الاتصال بمشغل أو جهاز هوائي .
- منفذ العادم (R و S): تواصل مع كاتم الصوت.
*تختلف حالة المنافذ الموجودة أسفل كل مربع ، مما يعني أن طريقة اتصال المنافذ في مواضع مختلفة من بكرة الصمام قد تغيرت.

3. نوع رمز صمام الملف اللولبي
4. أنواع الملف اللولبي
① بناءً على طريقة التشغيل
صمام الملف اللولبي المباشر : استخدم بشكل مباشر القوة الكهرومغناطيسية لدفع بكرة ملفات الملف اللولبي لتحقيق مسار الهواء. العمل تحت الضغط المنخفض وتدفق صغير. وقت الاستجابة السريعة.
صمام الملف اللولبي التجريبي الهوائي : تحت عمل القوة الكهرومغناطيسية ، يتم فتح الصمام التجريبي أولاً للسماح للهواء بالدخول إلى غرفة الهواء بكرة الصمام ، ويستخدم ضغط الهواء لدفع بكرة الملف اللولبي لتحقيق التوصيل والانفصال بين الهواء دوائر. مناسبة للتطبيقات عالية التدفق والضغط العالي.
② بناءً على تكوين التدفق
| نوع الصمام | الموانئ/المواقف | وظيفة | طلب |
| 2/2 اتجاه الملف اللولبي | 2 منافذ - 2 وظائف | النوع الأساسي . عادة ما تستخدم للتحكم في وإيقاف سائل معين. | مناسبة للتطبيقات مثل إغلاق إمدادات الهواء والتحكم في السوائل. |
| 3/2 اتجاهات الملف اللولبي | 3 منافذ - 2 وظائف | تستخدم للتحكم . | شائع الاستخدام في عمليات البدء والتوقف للدوائر الهوائية. |
| 4/2-الاتجاه الصمام الملف اللولبي | 4 منافذ - 2 وظائف | يتحكم في اتجاه تدفق الهواء في الأسطوانات الهوائية المزدوجة. | تستخدم في أنظمة الأتمتة التي تتطلب التحكم ثنائي الاتجاه. |
| 5/2 اتجاه الملف اللولبي | 5 منافذ - 2 وظائف | يوفر التحكم الاتجاهي للمشغلات المزدوجة المفعول. | يستخدم عادة في الروبوتات الصناعية والآلات الآلية. |
| 5/3 اتجاهات الملف اللولبي | 5 موانئ - 3 مواقف | يسمح بوضع توقف وسيطة للتحكم الدقيق. أنواع المواقف المركزية: ضغط مركز , العادم المركز , المركز المركز. | للاستخدام في الأنظمة الهوائية المتقدمة التي تتطلب إدارة تدفق الهواء دقيقة . |
ما سبق هو شرح لرمز صمام الملف اللولبي. إذا كان لديك أي أسئلة حول صيانة تطبيق , التحديد , ، أو المعلمات الفنية لصمامات الملف اللولبي أو غيرها من المنتجات الهوائية ، فلا تتردد في الاتصال بـ VPC.
سنوفر لك إجابات مفصلة ودعمًا فنيًا لمساعدتك في تحسين أداء وكفاءة نظامك الهوائي!